Regency TR-1 superheterodyne transistor radio

 I almost built a 1954 Regency TR-1 superheterodyne transistor radio.



It was the very first commercially available radio receiver in the United States and globally, built entirely on transistors. How much have inner and outer designs changed in 69 (excellent) years?

The 1954 Regency TR-1 was not just portable but pocket-sized. And not just pocket-sized but autonomous and battery-efficient.

 

Pocket crystal radios, such as the popular back-in-the-day rocket-shaped ones, have been around for a long time. They required grounding, so listening to the radio while walking was impossible.


The earbud cable performed the antenna function as somewhat recent cell phones with FM receiver functions. And the decorative antenna at the top of the rocket was a tuning plunger for moving the induction coil of the resonant tank core.


There were pocket tube radios in the 1950s. But an expensive set of anode and incandescent batteries lasts for just 5 hours. And almost all such receivers could only be listened to with an earbud.

There were a few loudspeaker exceptions, like a 1954 Hoffman Nugget sub-mini tube pocket radio made in Los Angeles, California.


Two marks on the receiver scale in the form of a triangle indicate 640 and 1240 kHz, the frequencies for the public warning system. In the 1950s, it became clear how important small, self-powered radios were in an emergency. This spurred demand for such receivers.


And this is a loud-speaking 1953 Emerson 747. It was too quiet, so in 1955, the low-frequency tube output stage was replaced with a transistor one. The new model received the number 838.

The Emerson 838 was called the world's first transistor radio in ads. However, it was a hybrid tube transistor and the all-transistor Regency TR-1 had already been released a year earlier.


It was a revolution, both technically and aesthetically. The Regency TR-1's case set the standard for radio design for decades, and no doubt even influenced the appearance of the Apple iPod.


Note that a thumbwheel instead of a knob was first used not in transistor receivers for the sake of compactness but in old RF-tuned radios for a completely different purpose.


For loud-speaking reception of a signal from a powerful station, it is enough to connect an audio amplifier to the crystal radio output. And to hear a distant station, one needs to amplify a weak signal using a radio frequency amplifier.

The problem here is that the strong signal of a nearby station will not vanish into the blue. One or even two LC-resonant tanks will not be enough to suppress unwanted signals and highlight the desired ones. Therefore, a nearby station (and also interference from car ignition and other electric motors nearby) will sound louder than a distant one.


RF-tuned receivers were created with three, four, and even five resonant tanks, like the 1927 Leutz Transoceanic "Phantom" to mitigate this issue.

Linking the shafts of three or five variable RF-tuned radio capacitors mechanically and settling for just one tuning knob is, at first glance, a bad idea because it is difficult to ensure stable equality of the resonant frequencies of all resonant tanks in each position of this knob.

Therefore, the creators of such receivers supplemented each variable capacitor with a dedicated adjustment regulator. Unlike the knob, which is supposed to be turned with a two-finger pinch, the thumbwheel can be rotated with one finger. Thus, one can learn to adjust three or even four circuits simultaneously.

It would be even better to make one large knob with a vernier, a reduction gear with a scale that turns the shafts of all variable capacitors, and connect an additional small variable capacitor in parallel to each big one for fine-tuning. But this would lead to a cost increase for the receiver as well as an increase in weight and dimensions.

But one can choose another path. When we tune a guitar by holding the second string at the fifth fret and listening to its sound simultaneously with the first string, we hear the vibrations with a frequency equal to the difference in frequencies of the two strings.

If we need a natural Pythagorean scale, we ensure these vibrations disappear, and the strings sound at exactly the same frequency. And if a tempered scale is required, we leave a certain number of vibrations per minute.

Piano tuners know and use this, but guitarists often tune the instrument with string harmonics rather than frets. This makes it more accurate and makes it sound better. Or by an electronic tuner, which considers temperament and even adjusts the additional tension of the string when it is clamped on the fret.

The same thing happens with electrical oscillations: when oscillations of two different frequencies are mixed, the resulting oscillations occur with frequencies equal to the sum and difference of the original ones.

What if one mixes a radio signal with the oscillations of a special local oscillator—a heterodyne—and then extracts a certain intermediate frequency from the mixture?


In this case, one can have as many intermediate frequency amplification stages as one likes with bandpass filters tuned to them, and these filters do not need to be rebuilt; they only need to be configured once when setting up the radio receiver.

To tune in to the wave of the desired station, one only needs to reconfigure the input circuit and the heterodyne circuit using dual variable capacitors. This advanced radio receiver is called a superheterodyne and has been the most common type of receiver for decades.


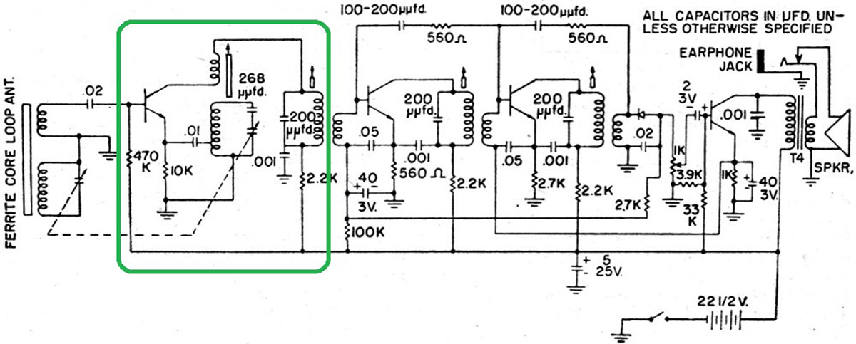
And this is what these structural blocks looked like in the real working circuit of the 1954 Regency TR-1. On the first transistor, counting from the left, a frequency converter is assembled, combining the functions of a local oscillator and a mixer.

The heterodyne here is an Armstrong generator, which is not surprising: the inventor of the superheterodyne radio receiver is Edwin Howard Armstrong.

After the heterodyne, two intermediate-frequency amplification stages with three resonant tanks are included, forming an IF filter. The two RC circuits at the top of the diagram are neutrodyne circuits that neutralize the Miller effect.

The transistors used in the Regency TR-1 were expensive and far from perfect. It was necessary to manually pick transistors with suitable parameters from a batch and manually select the capacitance of the neutrodyne capacitor within 100–200 pF (at the time, the correct term was uuF). We also had to use a 22.5-volt battery for power and use a low intermediate frequency of 262 kHz.


The voltage from the detector not only goes to the audio frequency amplifier but also regulates the transistor's bias in the amplifier's first IF stage. A weak signal is amplified more than an already strong one, which allows one to listen to distant and nearby stations without manually adjusting the gain. This is called automatic gain control, or AGC.

Initially, the creators of the Regency TR-1 wanted to use a louder and higher-quality audio amplifier, like the Emerson 838. Still, they had to make it with a single transistor to keep the cost lower. So, despite using an excellent Jensen loudspeaker (the company creates loudspeakers for Fender amplifiers), the TR-1's sound leaves much to be desired.

The ZX921 DIY kit I've put together is closer to the original design of the Regency TR-1 than to the final commercially available version.



In addition to a push-pull, two-transformer audio amplifier, a BG4 transistor is used here as a detector instead of a diode. This is exactly what was done in the first laboratory prototype of the Regency TR-1.

With superior transistors having repeatable and stable characteristics, today's new radio receiver uses a reasonable intermediate frequency of 455 kHz. Neutrodyne circuits with hand-picked capacitors are no longer needed.

And to power the receiver, there's no need for 22.5, 9, or even 3 volts; 1.5 volts is enough—just one 1.5 volt battery!

The diagram shows breakpoints for measuring the operating currents of transistors in the absence of an input signal. In the last century, when setting up a receiver, base bias resistors were selected for each specific transistor so that the actual currents were within the list values.

Today, transistors and resistors are manufactured with much greater precision, so this setup step is completely optional.

The receiver kit even comes with pre-configured heterodyne and filter coils. So, it is fine to use the signal from a nearby powerful radio station or a micro-power radio transmitter to make fine adjustments for maximum volume and sound frequency.

69 years have passed, and transistor AM superheterodynes have zero to no changes. Assembling and configuring them has become much easier but no less interesting.

Even more exciting are the experiments with RF-tuned receivers, which I will talk about in the next post.


Comments

Popular posts from this blog

Shelly RGBW2 controller and Shelly Duo RGBW bulb. Dangerous light pulsations.

Review, teardown, and testing of LRS-150-24 Mean Well power supply

IKEA TRADFRI Driver for wireless control 603.426.61 (Intertec ICPSLC24-30NA)